首 页
关于我们
公司简介
技术团队
设备展示
资质认证
质量管控
企业文化
企业相册
重点应用
医疗器械
石油勘探
航空航天
舰船军工
化工装备
高端制造
核心产品
钛及钛合金棒材
钛及钛合金板带箔
钛及钛合金管材
钛及钛合金丝材
钛及钛合金锻件
钛及钛合金环材
钛制品机加工件
钛设备装备
全系列材料供应
医用钛棒加工流程
公司文档
技术文档
执行标准
库存与交付
产品知识
检测报告
新闻中心
企业动态
行业资讯
技术前沿
合作案例
竞争优势
合作客户
交付成果
国外客户合作
联系我们
联系方式
人才理念
招聘信息
English version
公司文档
Technology
您的位置:
首页
>>
公司文档
>>
检测报告
技术文档
执行标准
库存与交付
产品知识
检测报告
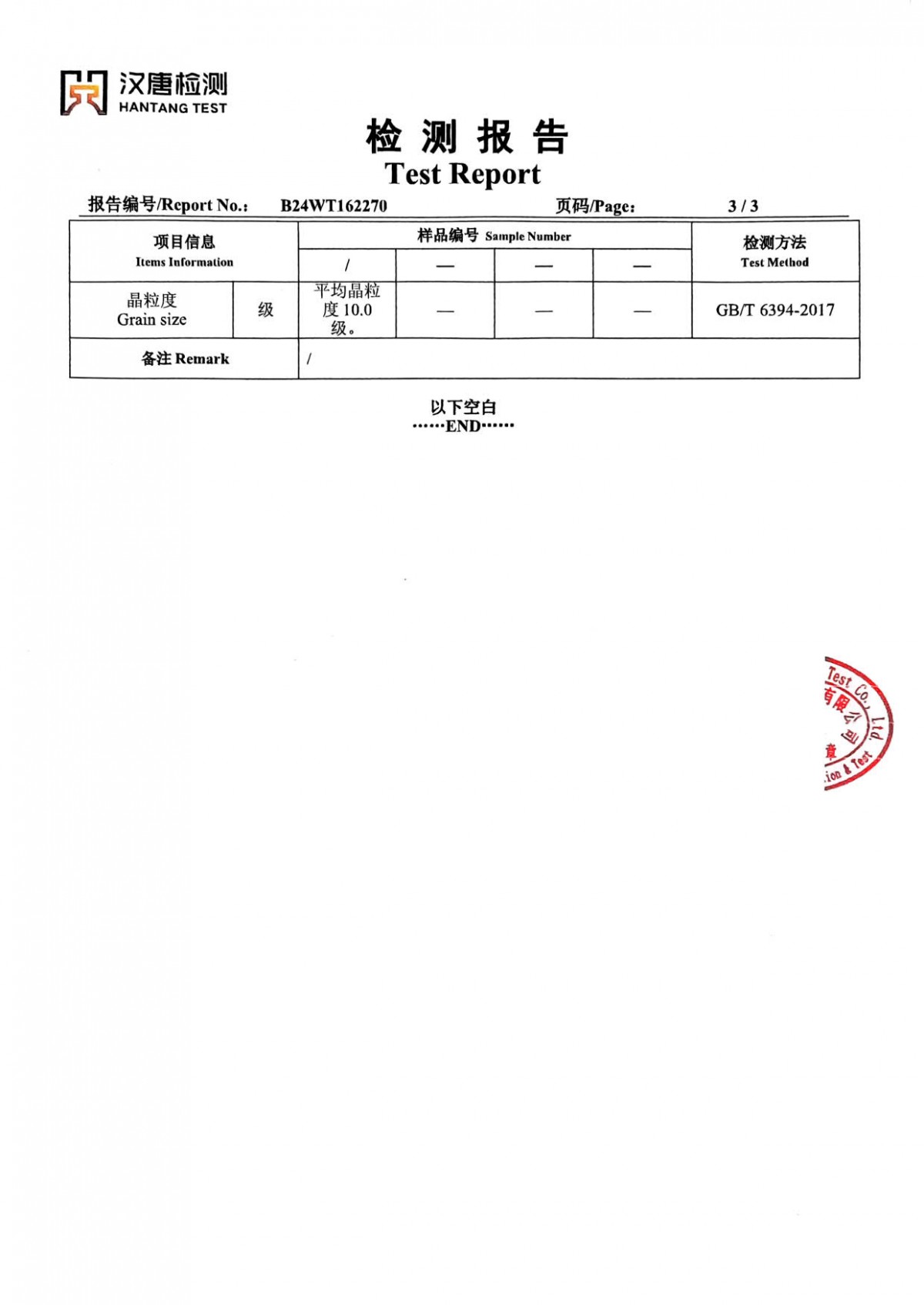
TA4G 医用¢4.0 钛丝检测报告
作者:本站 发布时间:2025-11-29 浏览:
44
次
[上一篇] Ti-13V-11Cr-3Al AMS4959B标准钛棒¢10检测报告
[下一篇] 医用φ6φ7φ8钛棒检测报告
0917-3412107
530975155